Lifting Techniques
pivoting crane, wall mounted, type LW![]() |
21.02V001 |
pivoting crane, column mounted, type LS![]() |
21.01V001 |
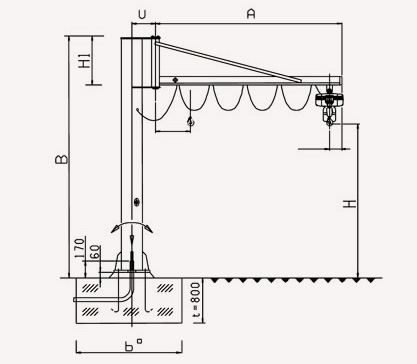
pivoting crane, column mounted, type LSX![]() |
21.01V012 |
two-rail-crane, mounted on pillars![]() |
22.03V011 |
window transport device for crane systems![]() |
26.03V001 |
vacuum lifting and transport device (manual)![]() |
26.03V002 |
vacuum lifting device (with pneumatically powered
vacuum pump)![]() |
26.03V003 |
| vacuum lifting device, with pneumatically powered lifting cylinder
and vacuum pump ![]() |
26.03V006 |